1 高純氧的理化性質
氧氣(Oxygen)是氧元素最常見的單質形態,在空氣中按體積分數算大約占21%,在標準狀況下是氣體,不易溶于水,密度比空氣略大,氧氣的密度是1.429g/L 。當溫度降到-183℃ 時,氧變成淡藍色的液體;當溫度降到-218.8℃ 時,液氧就會變成雪花狀的淡藍色固體,氧氣不可燃,可助燃。氧氣由氧分子(O2)構成,氧氣是雙原子分子,每一個氧氣分子由2個氧原子構成。氧氣是無色透明、無臭、無味的氣體。
氧氣的毒性主要表現為對呼吸道、特別是對肺臟的損傷,嚴重時會出現水腫。最大容許濃度:氧的閾濃度(如進行氧氣療法)為25%~40%。在潛水工作中使用壓縮氧氣時應嚴格遵守特定的規定。壓力的大小和停留時間的長短都要有所限制。缺氧引起窒死,而供氧過剩則引起中毒。
2 高純氧的定義
根據現行國家標準《GB/T 14599-2008純氧、高純氧和超純氧》的定義,高純氧的技術要求如下,其中,氧含量要≥99.999%。
表1 純氧、高純氧和超純氧技術要求
3 高純氧的用途
高純氧是一種高附加值產品,廣泛應用于光導纖維和半導體工業,主要用來制造性能優異的燃料電池、鋼材激光切割以及制造大規模集成電路的電子信息領域和特殊儀器。
(1) 在半導體行業,高純氧氣體主要用于半導體器件的熱氧化、擴散、化學氣相沉積及等離子蝕刻等工藝,還可用于光導纖維、彩色顯像管制造并作標準氣、校正氣和零點氣等。作為氧化源與產生高純水的反應劑。對于MOS場效應器件,氧化層必須相當致密,采用高純氧氣進行干法氧化,其氧化層結構致密,正電荷少,耐壓高,能滿足生產需要。與四氟化碳混合,可用于等離子刻蝕。
(2) 在光纖生產 PCVD 工藝中,采用高純度的氧氣參與反應,氧氣的純度直接影響光纖的品質。
(3) 在分析設備中,高純氧氣可用作分析設備的校驗氣。
4 高純氧生產技術
目前市場上供應的高純氧產品,大多是采用工業氧在深冷狀態下再次精餾提純而獲得的,用這種方法生產的高純氧產品其優點是質量穩定。在深冷分離法生產高純氧中主要是采用工業氧或餾分氧作為原料,而這種原料氧中主要含有:氮、氬、甲烷、二氧化碳、一氧化碳、烴類、氪、氙和水分等雜質,因此必須在深冷分離的過程中進一步清除這些雜質,才能確保高純氧中的含氧量達99.999%以上。 為了制取氧純度為99.999%~99.999 9%的高純氧,目前主要的工藝方法基本有兩種:一是利用水電解法先制取工藝氧,再經催化脫氫后,進行冷卻、除水干燥等工藝生產;二是利用空分設備中生產的工業氧再經低溫精餾的工藝方法進行生產。低溫精餾法的流程組織也有很多種,按進料方式可以分為三種:氣相進料、液相進料和氣液相進料;按精餾塔的數量則可以分為單塔和雙塔精餾流程。這兩種分類方式相互交織可組成多種流程,如氣相進料的工藝流程中可以采用單塔精餾或雙塔精餾,液相進料的工藝流程中也可以采用單塔精餾或雙塔精餾。
4.1 液相進料工藝流程
4.1.1 單塔工藝流程
該流程采用原料氧以液相進料的單塔精餾制取高純氧的工藝流程,由于流程簡單,目前被廣泛應用于中大型空分設備上提取高純氧。配置在空分設備內的高純氧提取裝置,為建立高氧塔的正常工作工況,要從空分設備內的相應位置抽取較大量的熱源和冷源,由于這一抽取量占中大型空分設備中相應物流量的比例是不大的,所以空分設備能承受,不會影響空分設備正常工作。但是這種工藝流程高純氧的提取率通常偏低,主要看空分設備的承受能力。
圖1 液相進料單塔制取高純氧工藝流程
該流程對于原料液氧在空分設備主塔上抽取位置的選擇是十分重要的,抽取的原料液氧碳氫等高沸點組分雜質含量應為最低,否則高純氧產品純度就難以保證。一般原料液氧的抽取位置有二種:當空分設備不配氬提取置時原料液氧從精餾塔上塔氬餾分抽取位置提取,并控制甲烷含量在(1~10)×10-4%,其他高沸點組分如氪、氙、二氧化碳等均小于1×10-4%,具體工藝流程如圖1所示。如空分設備配氬提取裝置時,液氧從粗氬塔Ⅰ下部向上數第6塊板處抽?。ㄆ浜?1.24%O2、8.75%A r、1×10-4%N2),此時甲烷等高沸點組分雜質最低,經高氧塔精餾后由塔頂排出含氧量為90.42%的不純氧返回至粗氬塔Ⅰ,具體工藝流程如圖2所示。經精餾后的高沸點組分均含在高氧塔釜的液氧中,將這一部分液氧排放至主塔,而高純氧產品從高氧塔下冷凝器上方第3~5塊板處抽出。采用這種流程高純氧的提取率不高,一般只在6%~10%。為了減少抽至高氧塔進行精餾物流的壓力降損失,不影響空分設備的正常工作,建議這種流程中的高氧塔采用填料塔為宜。
圖2 液相進料單塔制取高純氧工藝流程
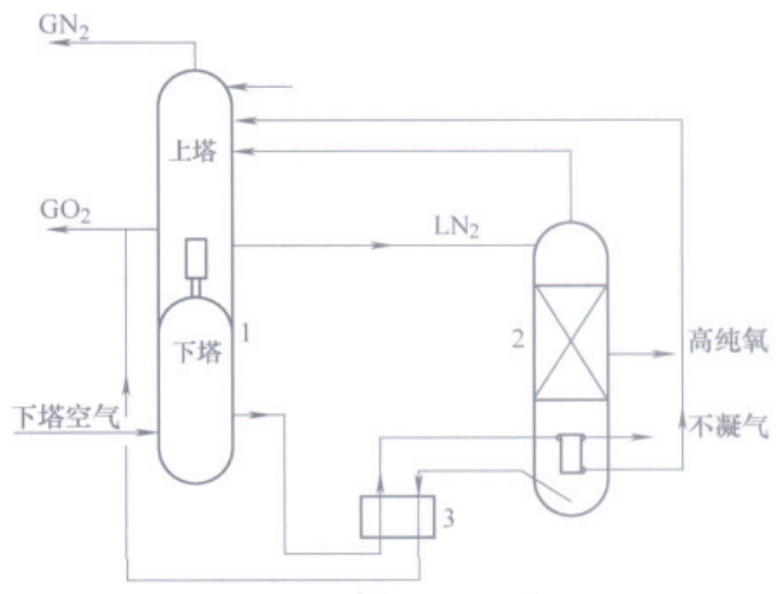
4.1.2 雙塔工藝流程
為了增加高純氧的提取量,減少采用液相進料提取高純氧過程中對主塔的影響,現提出直接采用空分設備外配液氧貯槽中的液氧作為原料進行精餾制取高純氧的方法。該法一方面可充分利用進料液氧的冷量;另一方面可簡化提供熱(冷)源外循環系統的流程。考慮到貯槽內工業液氧中含有較大量的高沸點組分雜質,為制取合格的高純氧,經分析必須建立二塔流程。首先利用塔Ⅰ精餾除去大部分高沸點組分雜質,然后從該塔中部抽取氣氧送入高氧塔Ⅱ繼續精餾并除去高、低沸點組分雜質,最終獲得高純氧產品。該流程配置的外循環系統只需提供壓力氮加熱源,在加熱過程中轉化生成的液氮將作為高純氧制取系統的冷源。從Ⅱ塔中排出的不純氧一般可作為工業氧用,整個裝置高純氧的提取率大約在10%~15%。其流程如圖3所示。
4.2 氣相進料的工藝流程
4.2.1 雙塔工藝流程
氣氧進料雙塔精餾制取高純氧雙塔精餾流程如圖 4所示。這種流程的特點是高純氧設備內置于大、中型空分設備的冷箱中,以上塔底部氧氣為原料。由于是氣態進料,Ⅰ塔底部一般不設置蒸發器。Ⅰ塔和Ⅱ塔的冷凝器所需冷源是空分設備的液氮,Ⅱ塔底部蒸發器所需熱源是空分設備下塔的壓力氮或壓力空氣。
圖3 液相進料雙塔制取高純氧工藝流程
從空分設備主塔抽取的原料氣以接近飽和狀態從高氧塔Ⅰ下部進入,該塔采用液氮為冷源,氧氣在上升的過程中與下流的液體接觸進行熱質交換,高氧塔Ⅰ的主要作用是清除原料氧中大部分高沸點雜質如:氪、氙、二氧化碳和部分碳氫化合物。經高氧塔Ⅰ精餾后的氧氣由塔頂排出,但其中仍含有氮、氬、甲烷等低沸點組分雜質,這部分氧氣再被送入高氧塔Ⅱ的中部,在塔內進一步精餾提純。高氧塔Ⅱ設有上冷凝蒸發器和下冷凝蒸發器,采用壓力氮作熱源,液氮作冷源,氧經精餾后將含有大量低沸點組分雜質的氧氣由塔頂排出;對含有碳氫化合物等高沸點組分雜質的液氧由塔底抽出少量并經汽化排放出系統;產品高純氧由下冷凝蒸發器上方3~5塊板處抽取。在氣相進料的二塔流程中高純氧的提取率一般在20%~25%。由于該流程原料氧氣的純度為 99. 6% ,其優勢是比相應的單塔精餾流程產品提取率高。
4.2.2 單塔工藝流程
利用原有空分設備主塔的氧氣或液氧、外設單塔來制取高純氧,其流程如圖 5 所示。該流程一般在對高純氧的純度要求不高時使 用。在原料氧中碳氫化合物含量正常的情況下,高 純氧純度只能達到 99. 995% ,所以一般不建議采 用該流程。除非原料氧氣中碳氫化合物含量極低, 或者用戶對高純氧產品純度要求不高。當然在早期也有單塔附加外處理系統的辦法來制取高品質高純 氧的流程,但相對于全精餾高純氧流程,這種流程 明顯處于劣勢。
圖4 氣相進料雙塔制取高純氧工藝流程
圖5 氣相進料單塔制取高純氧工藝流程
5 結語
高純氧設備雖然經過了數十年的發展,但由于我國市場對高純氧的需求量并不大,采用上述介紹的這幾種高純氧提取方法,完全能滿足現有的市場需求。但隨著高純氧需求量和品質的不斷提高,高純氧設備正朝著產量大、純度高、流程簡單、能耗低和操作方便的方向發展。
